We are committed to: new material technology research and development and in-depth customization services
Copyright ©2023 Kunshan Xinluang New Material Technology Co.
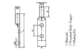
Description
The AD60-10 copper tube terminal is engineered with:
| φE(mm) | 11 |
| ΦD(mm) | 14.4 |
| Φd(mm) | 11.9 |
| W(mm) | 21.3 |
| B(mm) | 14 |
| L(mm) | 74.7 |
| H(mm) | 25.4 |
| Material | Pure Copper |
| Copper Content | ≥99.9% |
| Surface | Tin-Plated |
| Tongue Angle | Straight |
| Inspection Window | With inspection window |
| Electrical Specifications | |
| Rating – Maximum Voltage | 35KV |
| Environmental Specifications | |
| Operating Temperature | -40 °C to +90°C (-40 °F to +212 °F) |
| Storage Temperature | -40 °C to +80 °C (-40 °F to +176 °F) |
| Packaging and Weights | |
| Included | Lug |
| Packaging Quantity and UOM | 1 pcs |
| Certifications | |
| ISO 9001:2015 | Designed, manufactured and/or distributed under this quality management system |

GPH90-6/5 90°Copper Tube Terminal 12-10AWG 4-6mm² Cold-Pressed lugs